(二)CPU和内存连接
1. 主存储器和 CPU 的连接
- 合理选择存储芯片;
- 连接地址线;
- 连接数据线;
- 连接读/写命令线;
- 连接片选线;
2. 主存储器扩展
2.1. 位扩展

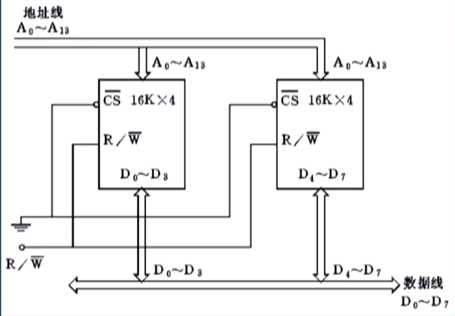
- 情况:CPU 数据位数和存储芯片不同,需要对存储芯片进行位扩展;
- 含义:用多个存储器器件对字长进行扩充;
- 方法:将多片存储器的地址、片选 CS、读写控制端 R/W 相应并联,数据端分别引出为低位和高位;
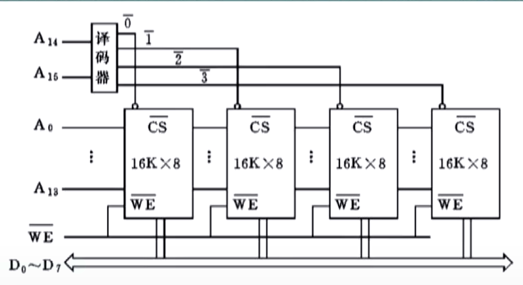
2.2. 字扩展

- 情况:使用的存储器芯片位数符合要求,但单元数目较少时;
- 含义:增加存储器中字的数量;
- 方法:各芯片的地址线、数据线、读写控制线相应并联,而由片选信号来区分各芯片的地址范围;
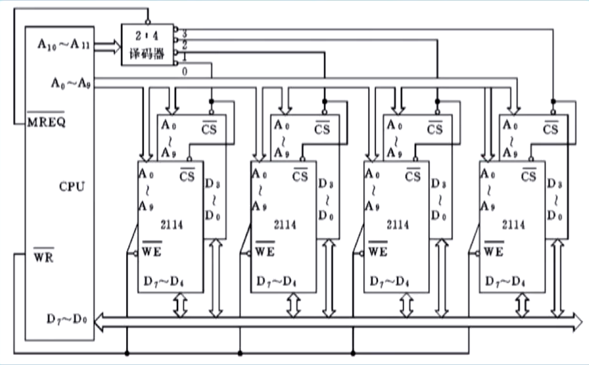
2.3. 字位扩展

- 实际情况下,存储器往往需要同时进行字扩展和位扩展;
- 一般是先扩字,再扩位;
- 计算 1:目标存储器容量
位,用 的芯片进行组装,则 - 字扩展:需要
个; - 位扩展:需要
个; - 总共需要:
个芯片;
- 字扩展:需要
- 计算 2:目标容量
,存储器芯片容量 ,则所需芯片数量直接得到 ;
3. 主存储器的存储单元
3.1. 编址方式
- 按字节编址:最小寻址单位为字节,相邻的存储地址指向相邻的字节;
- 按字编址:最小寻址单位为字,相邻的存储地址指向相邻的字;
- 存储单元是 CPU 对主存访存的最小单位;
- 一个存储单元可能有多个字节;
3.2. 小端和大端编址
小端编址:数据高位放在相邻地址较大的那一个,数据低位放在较小的那一个;
大端编址:数据高位放在相邻地址较小的那一个,数据低位放在较大的那一个;
单位为字,即给出的是一个字内各字节如何排布;
例:数据为
0x1234,分两个地址存放,分别为0x00和0x01,设 1 字 = 2 字节 = 16 bit;数据 高位 0x12 低位 0x34 小端编址 0x01 0x00 大端编址 0x00 0x01
4. 主存地址译码方式
4.1. 线选法

- 地址线位数:
, 为地址数量;
4.2. 重合法

- 地址线位数:
(向下取整), 为地址个数;
5. 主存芯片引脚数量
| SRAM | DRAM | |
|---|---|---|
| 地址线 | 线选法 | 重合法 |
| 数据线 | 和存储字长 MDR 一致 | 和存储字长 MDR 一致 |
| 读/写命令线 | 各 1 根 | 各 1 根 |
| 片选线(单个) | 1 | 1 |
| 片选线( |
- 片选线说明
- 若计算单个存储芯片的片选,则是 1 根;
- 若有
个有效存储芯片,则 ;
- 注意
- 芯片数据线位数小于 MDR 时,需要进行位扩展;
- 一般用高位地址线当作片选线,低位地址作为地址线;
- 在某些特殊情况下,SRAM 的读写控制线也可以复用 1 根;
习题
- 32 位计算机按字节编址,小端编址。已知语句
int i = 0;对应的机器码为C7 45 FC 00 00 00 00,则语句int i = -64;对应的机器码是
- A.
C7 45 FC C0 FF FF FF; - B.
C7 45 FC 0C FF FF FF; - C.
C7 45 FC FF FF FF C0; - D.
C7 45 FC FF FF FF 0C; - 答案:A;
- 解析:
- 指令码
C7 45 FC都是一样的,区别就在后面数据部分;-64 用 8 位补码表示为,表示成 32 位要前补符号位,补成 ; - 小端编址,低位在前,注意是以字节(8 位)为单位,字节内部顺序不变,A 对;
- 指令码
- 32 位计算机按字节编址,小端编址。已知语句
- 小端编址,且规定 int 和 short 分别是 32 位和 16 位。采用边界对齐存储。有一个结构体变量 record:
struct { int a; char b; short c; } record;,且赋值record.a = 273。若 record 的首地址为 0xC008,则 0xC008 地址的内容和record.c的地址分别为
- A. 0x00,0xC00D;
- B. 0x00,0xC00E;
- C. 0x11,0xC00D;
- D. 0x11,0xC00E;
- 答案:D
- 解析:
- 边界对齐存储的含义:
- 要求结构体的大小必须是其最大成员的整数倍(本题中为
int a,占 4 个字节); - 对于占用 m 个字节的成员,要求其首地址必须是 m 的整数倍;
- 要求结构体的大小必须是其最大成员的整数倍(本题中为
- 所以,record 的存放情况如下:
- 首 4 个字节,存放
int a; - 第 5 个字节,按照声明顺序,存放
char b; - 第 6 个字节,因为边界对齐,不能存放
short c,留空; - 第 7,8 个字节,存放
short c;
- 首 4 个字节,存放
,小端编址,所以第 1 个字节存 0x11,第 2 个字节 0x01,其余为 0; short c的地址为:,选 D;
- 边界对齐存储的含义:
- 小端编址,且规定 int 和 short 分别是 32 位和 16 位。采用边界对齐存储。有一个结构体变量 record:
- 用若干个 2K×4 位的芯片组成一个 8K×8 位的存储器,则地址 0x0B1F 所在芯片的最小地址为
- 答案:0x0800;
- CPU 有 16 位地址线,8 位数据线,MREQ 为访存控制信号(低电平有效),WR 为读写控制(高电平读,低电平写),RAM 芯片可选择 1K×4 位,4K×8 位,8K×8 位;ROM 芯片可选则 2K×8 位,4K×8 位,8K×8 位;另外可选 74138 译码器和各种门电路。要求:主存地址 0x6000 ~ 0x67FF 为系统程序区,0x6800 ~ 0x6BFF 为用户程序区;合理运用给出的芯片,说明 ROM 和 RAM 各选几片;
- 答案:ROM 选 1 片 2K×8 位,RAM 选 2 片 1K×4 位,位扩展为 1K×8 位;
- 解析:注意系统程序区应该用 ROM 存,用户 RAM 存,所以算出两种地址的大小,再选择即可;
- CPU 有 16 位地址线,8 位数据线,MREQ 为访存控制信号(低电平有效),WR 为读写控制(高电平读,低电平写),现设计存储系统,要求:(1) 最小 8K 为系统程序区,相邻的 16K 为用户程序区,最大的 4K 为系统工作区;
- (1)写出各区对应的二进制地址码;
- (2)确定选用芯片的数量及类型;
- 解析:16 根地址线,故地址码都应该是 16 位二进制;
- 8K 系统程序:0000 0000 0000 0000 到 0001 1111 1111 1111;
- 16K 用户程序:0010 0000 0000 0000 到 0101 1111 1111 1111;
- 注意题目要求最大的 4K 个地址,故系统工作区应该是从最大地址(全 1)反推;
- 4K 用户工作区,1111 0000 0000 0000 到 1111 1111 1111 1111;
- 三个区域分别对应 ROM, RAM, RAM,系统程序区可用 8K×8 位,用户程序区可用 2 片 8K×8 位,系统工作选 4K×8 位;
- 主存储器的字长为 32 位,容量 1MB。在按字节编址和按字编址的情况下,MAR 和 MDR 的位数各是多少?
- 答案:MDR 都是 32 位,按字节编址时,MAR 20 位,按字编址时,MAR 18 位 ;
- 解析:MDR 位数和编址方式无关,仅和存储字长有关,故 MDR 都是 32 位,然后计算地址数量即可得到 MAR 位数;
- 一个存储器容量 256MB,由若干个 4MB 的 DRAM 芯片构成。该 DRAM 芯片的地址引脚和数据引脚总数为
- A. 19
- B. 22
- C. 30
- D. 36
- 答案:A
- 解析:区分这两个概念:MAR 位数,地址引脚个数,设地址数量
; - 前者直接为
,但后者不一定,DRAM 为 1/2 倍,SRAM 为 1 倍; - 然后是审题:题目问的是该 DRAM 芯片,并不是指的 256MB,而是 4MB 的单个存储芯片;
- 所以
,地址引脚个数 ,数据引脚 8 个,总个数 19;
- 前者直接为
- CPU 地址总线
, 为最高位。现用 4K×4 位的芯片组成 16KB 存储器,则片选信号对应的位数为
- A.
; - B.
; - C.
; - D.
; - 答案:A
- 解析:
- 首先需要位扩展,位扩展与片选无关。用于片选的芯片数量为 16K/4K = 4,即需要两位片选信号;
- 对于每个 4K 芯片,需要 12 位片内地址线;
- 通常片内地址是低位,片选是高位,故低 12 位作为片内地址,较高 2 位作为片选,还有 2 位留空,选 A;
- CPU 地址总线